-->

Rv Inverter Wiring Diagram

Solar calculator for rv or camper van conversions. After making the decision on your rv inverter purchase you may just need to start your diy rv inverter install.

Rv Inverter Wiring Diagram Jrx All2tell Nl Rv Inverter Wiring Diagram Jrx All2tell Nl

Diy wiring diagrams for 100w 200w 300w 400w 600w 800w kits.

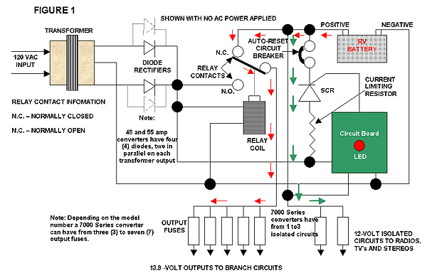
Rv inverter wiring diagram. In an rv an inverter is connected to the battery and provides 110 vac for running appliances like a coffee pot microwave or electronics like a tv satellite receiver computer or cell phone charger. But i try to learn from others and then put that information in terms everyone can understand. Product list and cost of components.

I always run the generator mostly during the day then shut it off right when we go to bed no lights or anything on while we sleep except for the heater. You went through your pre storage checklist and made sure all breakers and lights were off but your batteries are still doa. How to join your solar panels batteries together the different results watts volts amps created.

So i think i figured out that the green christmas tree thing is only needed if you use lithium batteries. And i dont know much about electrical issues. Hey nate i really appreciate all the work you do and the wiring diagrams.

An electrical wiring diagram helps eliminate mistakes and speed up the installation process. We help you sort through the options. Youll need one to get a permit for your solar electric system.

I have never been shy about telling you what i dont know. Reefkoi on 012406 0342pm i have a new 3712 raptor and we dry camp all the time. A power inverter uses direct current dc power to produce alternating current ac power like in your home.

Ever wonder why you take your rv out of storage after a few weeks and find that the batteries are deader than a door nail. Mis wiring a 120 volt rv outlet with 240 volts. Ive been answering a lot of forum questions lately from rv owners who paid an electrician to install a 30 amp120 volt tt 30 rv outlet for powering their rv in the driveway.

Now that you have reached the solar wiring diagrams section of this website you are finally ready to learn how solar panels and batteries are wired together.

Image Result For Rv Converter Charger Wiring Diagram Technic Rv Image Result For Rv Converter Charger Wiring Diagram Technic Rv

Rv Inverter Wiring Diagrams Wiring Diagram Rv Inverter Wiring Diagrams Wiring Diagram

Rv Dc To Ac Power Inverter Modmyrv Rv Dc To Ac Power Inverter Modmyrv

Camper Power Inverter Wiring Diagram 17 16 Asyaunited De Camper Power Inverter Wiring Diagram 17 16 Asyaunited De

Mad Jax Inverter Wiring Diagram 3 6 Petraoberheit De Mad Jax Inverter Wiring Diagram 3 6 Petraoberheit De

Camper Power Inverter Wiring Diagram 17 16 Asyaunited De Camper Power Inverter Wiring Diagram 17 16 Asyaunited De

Wiring Diagram For Rv Inverter Wiring Diagram Wiring Diagram For Rv Inverter Wiring Diagram

Rv Inverter Wiring Diagram Yia Bibliofem Nl Rv Inverter Wiring Diagram Yia Bibliofem Nl

Wiring Diagram Cer Plug Rv Battery 5 19 Petraoberheit De Wiring Diagram Cer Plug Rv Battery 5 19 Petraoberheit De

Rv Dc To Ac Power Inverter Modmyrv Rv Dc To Ac Power Inverter Modmyrv

Rv Inverter Diagram 10 Banenbreda Nl Rv Inverter Diagram 10 Banenbreda Nl

Rv Inverter Wiring Diagram Wiring Diagram Rv Inverter Wiring Diagram Wiring Diagram

Wiring Diagram For Rv Inverter Wiring Diagram Wiring Diagram For Rv Inverter Wiring Diagram

Rv Inverter Wiring Diagram Wiring Diagram Rv Inverter Wiring Diagram Wiring Diagram

Camper Power Inverter Wiring Diagram 17 16 Asyaunited De Camper Power Inverter Wiring Diagram 17 16 Asyaunited De

Motorhome Inverter Wiring Diagram Ccfd14ni Bibliofem Nl Motorhome Inverter Wiring Diagram Ccfd14ni Bibliofem Nl

Rv Inverter Install Four Different Diy Methods To Get Off The Grid Rv Inverter Install Four Different Diy Methods To Get Off The Grid

Travel Trailer Inverter Wiring Diagram 4 11 Petraoberheit De Travel Trailer Inverter Wiring Diagram 4 11 Petraoberheit De

Rv Inverter Wiring Diagrams Wiring Diagram Rv Inverter Wiring Diagrams Wiring Diagram

Air Con Inverter Wiring Diagram 19 13 Asyaunited De Air Con Inverter Wiring Diagram 19 13 Asyaunited De

100w 12v Rv Solar Wiring Diagram 2 11 Asyaunited De 100w 12v Rv Solar Wiring Diagram 2 11 Asyaunited De

Home Inverter Wiring Diagram To The 9 10 Petraoberheit De Home Inverter Wiring Diagram To The 9 10 Petraoberheit De

Camper Power Inverter Wiring Diagram 17 16 Asyaunited De Camper Power Inverter Wiring Diagram 17 16 Asyaunited De

Rv Converter Wiring Diagram Chloeminette Co Uk Rv Converter Wiring Diagram Chloeminette Co Uk


Related Posts

Post a Comment

Subscribe Our Newsletter