For those that would like to install a wireless system but who does not want to spend the money replacing wired contacts the 5800c2w is the perfect transmitter. Best gallery images for wiring diagram wiring harness electrical diagram engine diagram parts diagram.
Central Heating Wiring Diagrams Honeywell Sundial S Plan Plus
Discuss colour y plan diagram in the electrical wiring theories and regulations area at electrciansforumscouk.

Honeywell wiring diagram s plan. Graingers got your back. The honeywell digital non programmable thermostat rth111b1016u is non programmable. In the unlikely event of a.
View and download honeywell hc900 installation and user manual online. Discuss simplified s plan and y plan wiring diagrams in the central heating systems area at electrciansforumscouk. Honeywell hc900 hybrid controller installation and user guide.
The valve may be plumbed in at any angle but must not be mounted so that the valve head is below the horizontal level of the pipework. Hc900 controller pdf manual download. The main controller is by the boiler i have added hive hub receiver and thermostat all working fine on heating and hot water.
Looking for honeywell ventilator dehumidification control 2e574. The honeywell digital non programmable thermostat rth111b1016u is designed to provide you with the most basic push button climate control. Easy ordering convenient delivery.
Log in or register for your pricing. Many thanks for your quick response i actually meant to remove that label as i didnt hadnt figured out that wire at the time as it disappeared off with a collection of mains wires hence my note so i knew what i was marking up. Honeywells wired to wireless 9 zone conversion kit.
Ok its a new build with an ideal boiler pressurised system with a y plan wiring set up.
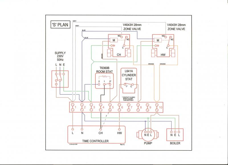
S Plan Central Heating System
Central Heating Wiring Diagrams Honeywell Sundial S Plan Gas
Central Heating Electrical Wiring Part 2 S Plan Youtube
Central Heating Wiring Diagrams Honeywell Sundial Y Plan Gas
Installing Honeywell Wireless Room Stat Into S Plan System Diynot
Honeywell Boiler Diagrams Vtl Dontmilkit Uk
Central Heating Wiring Diagram Uk 5 15 Asyaunited De
Honeywell Wiring Schematics Wiring Diagram
Basic Boiler Wiring Rxo Dappermanandvan Uk
Central Heating Wiring Diagram Uk 5 15 Asyaunited De
S Plan Wiring Diagram Honeywell Dronfielddigital Co Uk
Honeywell Zone Valve Wiring Diagram Wiring Diagram
Honeywell Thermostat Schematic Wiring Diagram
2 Zone Wiring Diagram Wiring Diagram
Central Heating Wiring Diagram Uk 5 15 Asyaunited De
Danfoss Room Thermostat Wiring Diagram Wiring Diagram
Pump Overrun Boiler Wiring Vtl Dontmilkit Uk
Honeywell Thermostat Schematic Wiring Diagram
Honeywell Heating Controls Wiring Diagrams Wiring Diagram
Wiring Diagram For Pumped Central Heating System Wiring Diagram
Zone System Wiring Diagram 2 14 Asyaunited De
Basic Boiler Wiring Rxo Dappermanandvan Uk
Wiring Diagram Honeywell Ra89a 17 6 Petraoberheit De
Wiring Diagram For Pumped Central Heating System Wiring Diagram
Post a Comment
Post a Comment